燃氣采暖爐耐凍性能試驗室是測試采暖爐在有風狀態下的耐凍性能。 將試驗室內的溫度調至-10℃±2℃,以3m/s的風速吹向采暖爐,以測試其防凍性能,本防凍性能試驗室滿足GB 25034-2020標準。
滿足標準:GB 25034-2020
測試方法:
1.待機狀態下吹風4h,試驗期間恒溫室外的溫度應確保室內溫控器不會啟動采暖爐,然后試驗采暖水、生活熱水和冷凝水水溫。
2.采暖狀態最小熱負荷下運行0.5h,試驗采暖水、生活熱水和冷凝水水溫。
3.生活熱水狀態最小熱負荷下運行0.5h,試驗采暖水、生活熱水和冷凝水水溫。
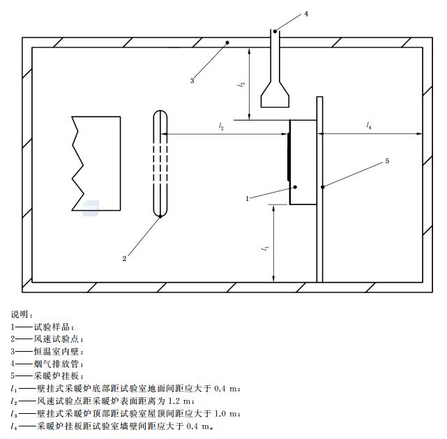
燃氣采暖爐耐凍性能試驗室產品示意圖:






